优势特点:PMI银泰MSR系列滚柱型直线导轨由于使用滚柱滚动体取代一般的钢珠滚动体,因此在相同尺寸的直线导轨上可提供更高的刚性与负载能力,特别适用于讲求高精度、高负载与高刚性的设备需求。



PMI银泰MSR系列滚柱型直线导轨由于使用滚柱滚动体取代一般的钢珠滚动体,因此在相同尺寸的直线导轨上可提供更高的刚性与负载能力,特别适用于讲求高精度、高负载与高刚性的设备需求。
【超重负荷】
滚柱型系列MSR直线导轨透过滚柱滚动体与滑块及导轨的线接触受力方式,相较于一般钢珠型直线导轨的点接触模式,在承受相同负载时提供更低的弹性变形量,相同外径条件下提供更高的负载能力,其高刚性、高负载的优良特性,更能满足重负荷加工的高精度应用。
【四方向负荷的优化设计】
透过有限元素法FEM的结构应力分析,优化的四列式滚柱45°接触角与高刚性断面设计,除了提供径向、反径向及横方向四方向更高的负荷能力,并且可利用预压调整增加其刚性,更适合各种安装方式的应用。

















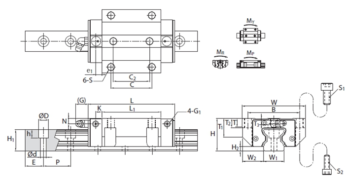
MSR25E MSR25LE MSR30E MSR30LE MSR35E MSR35LE MSR45E MSR45LE MSR55E MSR55LE MSR65LE
MSR25S MSR25LS MSR30S MSR30LS MSR45S MSR45LS MSR55S MSR55LS MSR65LS
上一篇:MSR65LS
下一篇:MSR25LE

















